资讯中心
资讯中心
用SiC驱动大功率灯或电机的实例来了!
2022-03-10 26
改变大功率电灯或电动机亮度的最佳技术之一就是脉宽调制(PWM)。在汽车电子系统中,一段时间以来,控制单元已使用PWM命令来对各种执行器进行控制和管理。例如,柴油机压力调节器、电风扇和前照灯的亮度就采用PWM信号进行管理。利用周期性信号驱动负载,电路的效率就非常高,所有产生的功率就都能传输到负载,也即损耗几乎为零。通过使用SiC MOSFET作为开关元件,总效率将会更高。  
 

设备

本文要讲的电路是一个简单的DC电源稳压器,可承受24V的强大负载。显然,电压可以通过调整PCB的特性来进行改变。它可以用于改变灯的亮度或加快或降低DC电动机的速度。逻辑操作由MCU执行。电源的调节操作通过两个按钮管理。占空比的大小通过一个LED二极管监控。  
 

PWM信号

PWM信号是具有可变“占空比”的方波( 图1),可以通过调制占空比而利用它来控制电气负载(在本例中为执行器或电动机)所吸收的功率。PWM信号的特征是固定频率和可变占空比。“占空比”是方波呈现“高”电平的时间与周期T之比,其中“T”是频率的倒数:T=1/f。例如:  
 
  • 50%占空比所对应的方波,在50%的时间内保持高电平,而在其余50%的时间内保持低电平;

  • 10%占空比所对应的方波,在10%的时间内保持高电平,而在其余90%的时间内保持低电平;

  • 90%占空比所对应的方波,在90%的时间内保持高电平,而在其余10%的时间内保持低电平;

  • 100%占空比所对应的信号始终为高电平;

  • 0%占空比所对应的信号始终为低电平。


  为了更清楚起见,如果考虑上述最后两种情况,则占空比等于0%表示脉冲持续时间为零(实际上是无信号),而接近100%的值表示最大信号传输,也即受控设备获得完整、恒定的电源。  
 

11.jpg

图1:PWM信号及其对负载的影响。


方框图

图2给出了该系统的框图。MCU管理逻辑操作并接收操作员下发的命令。它还能产生PWM(小功率)信号而驱动预驱动器。后者将电流信号放大并将其传递给驱动器,进而控制负载。  
 

图2:系统框图。


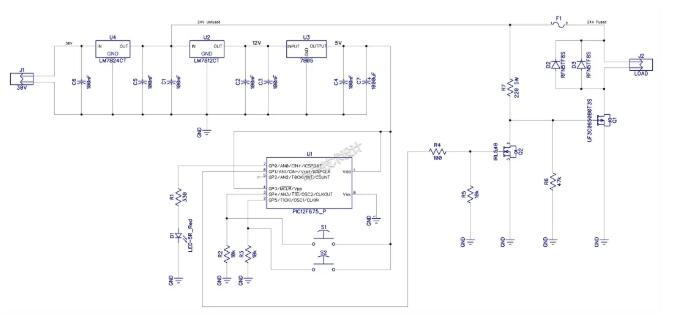
电气原理图

图3中可以看到接线图。该系统采用大约30V的电压供电。然后通过三个稳压器(7824、7812和7805)降低到5V而用于MCU逻辑。与只使用7805相比,这种技术可以限制热量。PIC 12F675的GP0端口驱动有一个LED二极管,而用作PWM信号的监控器。GP1端口对由IRL540功率MOSFET组成的预驱动器进行控制——这特别适用于使用MCU的应用,因为此时供给“栅极”的能量非常低。第一个MOSFET的“漏极”端子对第二个SiC MOSFET进行驱动,对负载(电阻性或电感性)上的电流进行开关。两个快速二极管可消除感性负载产生的过电压。也可以不使用它们,因为SiC MOSFET受到了很好的保护,但是最好还是考虑使用它们。如果使用电阻性负载,则可以将它们从电路中去掉。两个常开按钮通过相应的下拉电阻连接到MCU的GP4和GP5端口,如果不按下它们,就可以确保是低电位。  
 

33.jpg

图3:电气原理图。


电子元器件

下面列出了电路的电子元器件。它们并不紧缺,可以在市场上轻松找到。 图4给出了各种元器件的引脚排列。  
 
  • 电阻:

    • R1:330Ω

    • R2:10k?

    • R3:10k?

    • R4:100?

    • R5:10k?

    • R6:47k?

    • R7:220?,5W


  • 电容:

    • C1:100nF

    • C2:100nF

    • C3:100nF

    • C4:100nF

    • C5:100nF

    • C6:100nF

    • C7:1,000µF电解电容


  • 半导体

    • D1:红光LED,5mm周长

    • D2:快恢复二极管RFN5TF8S

    • D3:快恢复二极管RFN5TF8S

    • Q1:MOSFET SiC UF3C065080T3S

    • Q2:MOSFET IRL540(非IRF540)


  • 杂项:


    • U1:PIC12F675_P MCU

    • U2:LM7812CT稳压器

    • U3:7805稳压器

    • U4:LM7824CT稳压器

    • 1:熔断器,40A

    • J1:接线端子

    • J2:接线端子

    • S1:常开按钮

    • S2:常开按钮


44.jpg

图4:元器件引脚排列。

PCB

要制作原型,就必须设计PCB,其走线如 图5所示。即使其非常简单,我们也强烈建议使用光刻技术来获得更可靠、更专业的结果。一旦准备好基础,就需要用与焊盘相对应的0.8mm或1mm的钻头钻孔,从而增加与集成电路相关的焊盘的精度。要增加走线的厚度,实现更好的散热,可以在它们上面熔化锡。  
 

55.jpg

图5:PCB。


组件

下面就可以开始焊接元器件( 图6)。首先从低矮的元件开始,例如电阻、电容和插座,然后再继续到较大的元件,例如接线端子、LED二极管、MOSFET、熔断器和电解电容。应特别注意有极性元件。焊接时要使用功率约为30W的小型烙铁,注意不要使不能承受过多热量的电子元件过热。最后,需要注意集成电路及其插座的引脚排列。

66.jpg

图6:元器件的布置和电路的3D视图。

固件

本文最后附有源程序列表(.BAS)——是使用GCB(Great Cow Basic)编译器用BASIC语言编写的——以及可执行文件(.HEX)。在对保险丝和I/O端口进行初始配置之后,就会进入无限循环,检查两个按钮的逻辑状态。按下第一个按钮,占空比就会减小;按下第二个按钮,占空比就会增加。占空比的百分比有10%、30%、50%、70%和90%。当然,也可以根据程序规范添加其他值。由于PIC内部时钟的速度较低(4MHz),因此无法通过变量来参数化等待状态的定时。相反,则是已经创建了具有不同百分比占空比的专用子程序。在这种情况下,由固件生成的PWM信号的频率约为2kHz。使用更快速的PIC可以对等待暂停进行参数化并对代码进行优化。低频率的PWM可能会在感性负载上产生声音提示。但是,在电阻负载上不存在该问题。  
 

电路仿真

观察电路在开关点的行为以及研究SiC MOSFET的工作非常有趣。 图7给出了以下几点在占空比为50%时的PWM信号波形图:
  • MCU的GPIO1端口上的PWM信号

  • MOSFET IRL540的漏极上的PWM信号

  • SiC MOSFET UF3C065080T3S的漏极上的PWM信号



77.jpg

图7:不同点的PWM信号波形图。  
  图8给出了在各种占空比百分比(10%、30%、50%、70%、90%)下,MCU输出处的PWM信号的波形图。  
 

88.jpg

图8:不同占空比百分比下的波形图。


电路效率

就功率传输而言 ,使用SiC MOSFET时效率非常高。这个效率通常可以认为不错,但不幸的是,预驱动器的存在会使其降低。 图9 给出了电路总效率的曲线图,具体取决于施加到输出的负载。为了提高电路效率,可以尝试略微提高MOSFET IRL540漏极电阻R7的值,确保SiC MOSFET的闭合没有问题。  
 

11.jpg

图9:电路效率与所加负载的关系。  
  在元件导通期间,直接从电路的各个工作点测量SiC MOSFET的R DS(on)值非常有趣。根据欧姆定律,有:  
 

22.jpg

图10对官方数据手册中所给的值进行了确认。  
 

33.jpg

图10:SiC MOSFET的R DS(on)值的测量。


UF3C065080T3S SiC MOSFET

UnitedSiC公司的共源共栅产品将其高性能G3 SiC JFET与经过共源共栅优化的MOSFET封装在一起,从而生产出了当今市场上唯一的标准栅极驱动SiC器件。  
  该系列不仅具有极低的栅极电荷,而且在类似额定值的任何器件中具有最佳反向恢复特性。当与推荐的RC缓冲器一起使用时,这些器件非常适合对感性负载进行开关,并且它们也非常适合任何需要标准栅极驱动的应用。其特点包括:  
 
  • RDS(on)典型值为80mΩ

  • 最高工作温度为175℃

  • 出色的反向恢复特性

  • 低栅极电荷

  • 低固有电容

  • ESD保护,HBM 2级


  它的典型应用有:
  • 电动汽车充电

  • 光伏逆变器

  • 开关电源

  • 功率因数校正模块

  • 电机驱动

  • 感应加热


 


总结

PWM控制可以对电动执行器(例如电机和电灯)获得更好的定性性能。尽管可以随意改变亮度,但是光的质量更好。即使在低转速下,发动机扭矩也很高。本文介绍的电路主要用于指导,并为对该领域的进一步研究奠定了基础。熟悉PWM很有用。显然,设计人员可以在功率和效率上进行改进。但是,建议不要将提供的功率移到最大,以免电路过热。


注:本文来源于网络,如有侵权,请联系删除。

公司电话:+86-0755-83044319
传真/FAX:+86-0755-83975897
邮箱:1615456225@qq.com
QQ:3518641314 李经理  

QQ:202974035   陈经理

地址:深圳市龙华新区民治大道1079号展滔科技大厦C座809室

北斗/GPS天线咨询

板端座子咨询

连接器咨询

获取产品资料

公海555000JC线路检测中心
  • 网站地图